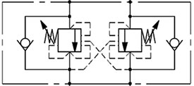
Dual overcenter valve back pressure compensated B070661.01.00
Dual overcenter valve back pressure compensated
Техническая документация
Загрузите наш каталог в pdf формате 182.2 KBДоставка
- во все регионы России транспортными компаниями "Деловые линии", "СДЭК" до адреса получателя или терминала
- самовывоз со склада по адресу: Санкт-Петербург, ул. Коммуны, дом 67, литер БМ
Оплата
- безналичный расчет
- банковская карта
- наличными курьеру
| Название | Описание товара | Цена (руб. с НДС) | В наличии (шт.) | Сделать заказ |
|---|---|---|---|---|
B070661.01.00 | Dual overcenter valve back pressure compensated. Материал: Aluminum. Поток жидкости: 140л/мин, , . Макс. давление: 350 Bar. Порты: G3/4", , . Управление: 10:1 | 0 |




