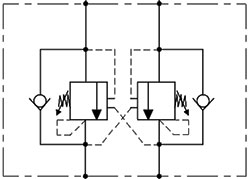
Dual overcenter valve 4 ports flangeable B076016.01.00
Dual overcenter valve 4 ports flangeable
Техническая документация
Загрузите наш каталог в pdf формате 195.5 KBДоставка
- во все регионы России транспортными компаниями "Деловые линии", "СДЭК" до адреса получателя или терминала
- самовывоз со склада по адресу: Санкт-Петербург, ул. Коммуны, дом 67, литер БМ
Оплата
- безналичный расчет
- банковская карта
- наличными курьеру
| Название | Описание товара | Цена (руб. с НДС) | В наличии (шт.) | Сделать заказ |
|---|---|---|---|---|
B076016.01.00 | Dual overcenter valve 4 ports flangeable. Материал: Aluminum. Поток жидкости: 40л/мин. Макс. давление: 350 Bar, . Управление: 3.6:1, | 0 |




