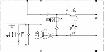
Overcenter valves with regenerative function B070660.04.00
Overcenter valves with regenerative function
Техническая документация
Загрузите наш каталог в pdf формате 285.5 KBДоставка
- во все регионы России транспортными компаниями "Деловые линии", "СДЭК" до адреса получателя или терминала
- самовывоз со склада по адресу: Санкт-Петербург, ул. Коммуны, дом 67, литер БМ
Оплата
- безналичный расчет
- банковская карта
- наличными курьеру
| Название | Описание товара | Цена (руб. с НДС) | В наличии (шт.) | Сделать заказ |
|---|---|---|---|---|
B070660.04.00 | Overcenter valves with regenerative function. Материал: Aluminum. Поток жидкости: 120л/мин. Макс. давление: 350 Bar. Порты: G3/4". Управление: 4:1, | 0 |




