Купить LPSRV2-10 ПРЕДОХРАНИТЕЛЬНЫЙ ГИДРАВЛИЧЕСКИЙ КЛАПАН (ГИДРОКЛАПАН) КАРТРИДЖНОГО (ВВЕРТНОГО) ТИПА НЕПРЯМОГО ДЕЙСТВИЯ, 113,6 Л/МИН, SAE10/2 (SAE 10), 7/8-14 UNF-2A (KETA HYDRAULICS, КИТАЙ)
ОПИСАНИЕ
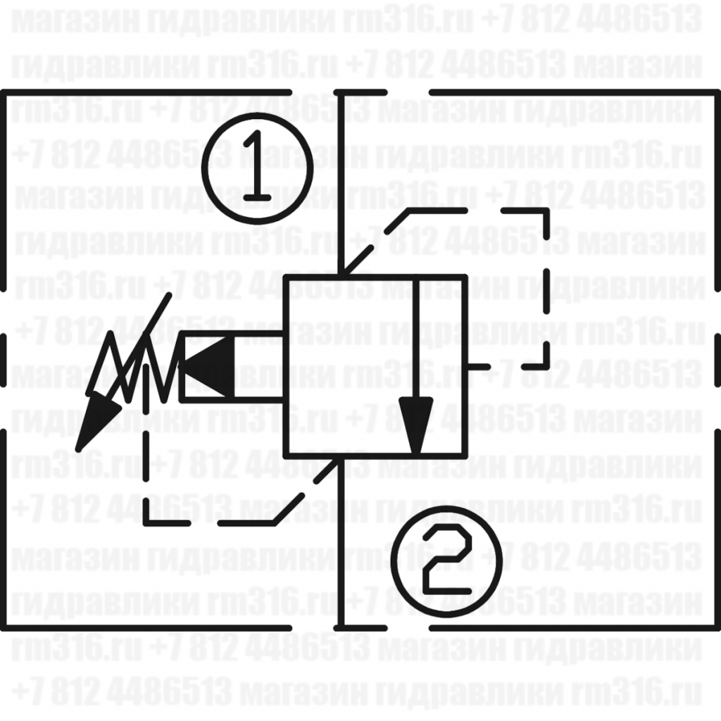
LPSRV2-10 - это ввертной (картриджный) гидравлический клапан непрямого действия (с пилотным управлением). Предохранительный гидроклапан LPSRV2-10 обеспечивает защиту гидравлической системы от избыточного давления. Клапан является нормально закрытым. Предохранительный клапан открывается, позволяя сбросить давление в маслобак, в случае если давление в системе достигает значения давления настройки клапана.ПРИНЦИП РАБОТЫ
LPSRV2-10 блокирует поток из порта 1 в порт 2 до тех пор, пока в порту 1 не появится давление, достаточное для открытия клапана за счет преодоления заданного усилия пружины.
Расположение портов:
- порт 1 - снизу
- порт 2 - сбоку

ТЕХНИЧЕСКИЕ ХАРАКТЕРИСТИКИ
| Номинальный расход | 113,6 л/мин |
| Макс. рабочее давление | 420 бар |
| Резьба | 7/8-14 UNF-2A |
|
Посадочное гнездо |
SAE10/2 (SAE 10) |
ПРИМЕР
LPSRV2-10-40 Предохранительный гидравлический клапан (гидроклапан) картриджного (ввертного) исполненияТехническая документация
Предохранительные ввертные (картриджные) клапаны гидравлические серии LPSRV2-10 (англ.) 335.6 KBДоставка
- во все регионы России транспортными компаниями "Деловые линии", "СДЭК" до адреса получателя или терминала
- самовывоз со склада по адресу: Санкт-Петербург, ул. Коммуны, дом 67, литер БМ
Оплата
- безналичный расчет
- банковская карта
- наличными курьеру
| Название | Описание товара | Цена (руб. с НДС) | В наличии (шт.) | Сделать заказ |
|---|---|---|---|---|
LPSRV2-10-40 | LPSRV2-10-40 Предохранительный гидравлический клапан (гидроклапан) картриджного (ввертного) исполнения, гнездо SAE10/2 (SAE 10), резьба 7/8-14 UNF-2A, 113,6 л/мин, 420 бар, диапазон регулировки 70-280 бар (преднастройка на 88 бар) (Keta Hydraulics, Китай) | 7 710 руб | 3 | |
LPSRV2-10-50 | LPSRV2-10-50 Предохранительный гидравлический клапан (гидроклапан) картриджного (ввертного) исполнения, гнездо SAE10/2 (SAE 10), резьба 7/8-14 UNF-2A, 113,6 л/мин, 420 бар, диапазон регулировки 41-345 бар (преднастройка на 110 бар) (Keta Hydraulics, Китай) | 7 710 руб | 0 | |
LPSRV2-10-60 | LPSRV2-10-60 Предохранительный гидравлический клапан (гидроклапан) картриджного (ввертного) исполнения, гнездо SAE10/2 (SAE 10), резьба 7/8-14 UNF-2A, 113,6 л/мин, 420 бар, диапазон регулировки 140-420 бар (преднастройка на 140 бар) (Keta Hydraulics, Китай) | 7 710 руб | 5 |
С этим товаром берут:
- 13.1011.115/B КОРПУС 1/2" BSP (АЛЮМИНИЙ) ДЛЯ ВВЕРТНОГО ГИДРАВЛИЧЕСКОГО КЛАПАНА (ГИДРОКЛАПАНА), SAE10/2 (SAE 10), 7/8-14 UNF-2B (TECNORD, ИТАЛИЯ)
- 62200451 КОРПУС 3/8" BSP (СТАЛЬ) ДЛЯ ВВЕРТНОГО ГИДРАВЛИЧЕСКОГО КЛАПАНА (ГИДРОКЛАПАНА), SAE10/2 (SAE 10), 7/8-14 UNF-2B (OLEOWEB, ИТАЛИЯ)
- 62200452 КОРПУС 1/2" BSP (СТАЛЬ) ДЛЯ ВВЕРТНОГО ГИДРАВЛИЧЕСКОГО КЛАПАНА (ГИДРОКЛАПАНА), SAE10/2 (SAE 10), 7/8-14 UNF-2B (OLEOWEB, ИТАЛИЯ)
- LB10-2-S-3G КОРПУС 3/8" BSP (СТАЛЬ) ДЛЯ ВВЕРТНОГО ГИДРАВЛИЧЕСКОГО КЛАПАНА (ГИДРОКЛАПАНА), SAE10/2 (SAE 10), 7/8-14 UNF-2B (KETA HYDRAULICS, КИТАЙ)
- LB10-2-S-4G КОРПУС 1/2" BSP (СТАЛЬ) ДЛЯ ВВЕРТНОГО ГИДРАВЛИЧЕСКОГО КЛАПАНА (ГИДРОКЛАПАНА), SAE10/2 (SAE 10), 7/8-14 UNF-2B (KETA HYDRAULICS, КИТАЙ)
- LB10-2-S-2G КОРПУС 1/4" BSP (СТАЛЬ) ДЛЯ ВВЕРТНОГО ГИДРАВЛИЧЕСКОГО КЛАПАНА (ГИДРОКЛАПАНА), SAE10/2 (SAE 10), 7/8-14 UNF-2B (KETA HYDRAULICS, КИТАЙ)





