ОПИСАНИЕ
PD10-34 - это ввертной направляющий гидравлический клапан (гидроклапан) картриджного типа, с плотным управлением, золотниковый, нормально закрытый.
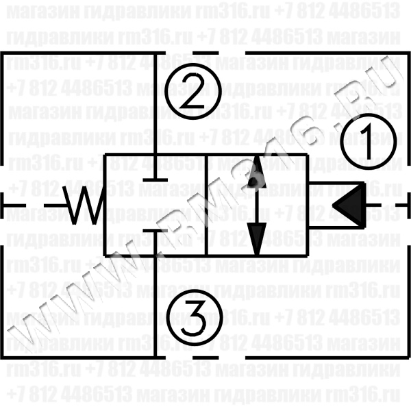
ПРИНЦИП РАБОТЫ
В нейтральном положении клапан перекрывает поток от порта (2) к порту (3). Пружинная камера выводится в атмосферу "v", которая имеет внутреннее кольцевое уплотнение от проточных каналов картриджа. По сигналу дистанционного пилота на порте 1 золотник клапана смещается, обеспечивая двунаправленный поток из портов (2) в (3). Благодаря вентилируемой пружинной камере картридж может находиться под полным давлением на любом порте без изменения требуемого пилотного давления.
ТЕХНИЧЕСКИЕ ХАРАКТЕРИСТИКИ
|
Номинальный расход
|
38 л/мин
|
|
Макс. рабочее давление
|
240 бар
|