LPRPS2-10 РЕДУКЦИОННО-ПРЕДОХРАНИТЕЛЬНЫЙ ГИДРАВЛИЧЕСКИЙ КЛАПАН (ГИДРОКЛАПАН) КАРТРИДЖНОГО (ВВЕРТНОГО) ТИПА ПРЯМОГО ДЕЙСТВИЯ, 43 Л/МИН, SAE10/3 (SAE 10), 7/8-14 UNF-2A (KETA HYDRAULICS, КИТАЙ)
ОПИСАНИЕ
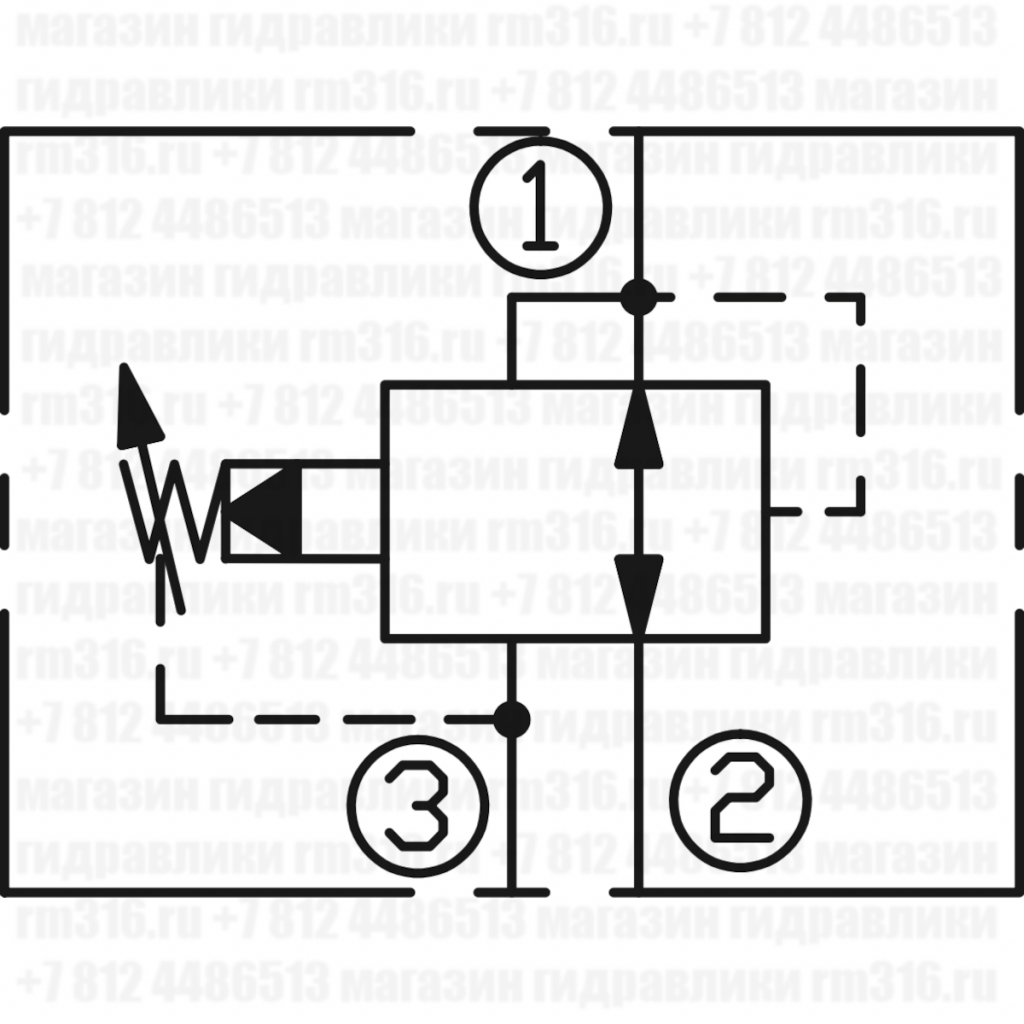
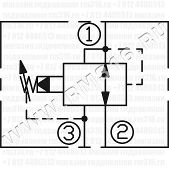
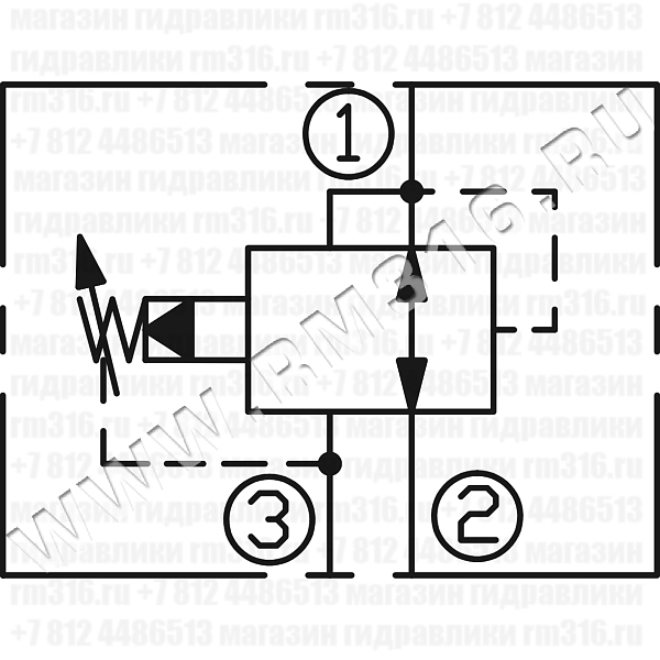
LPRPS2-10 - это ввертной редукционно-предохранительный гидравлический клапан непрямого действия (с плотным управлением), картриджного типа. Редукционно-предохранительные клапаны являются взаимозаменяемыми с редукционными клапанами, однако они имеют дополнительную функцию: поддержание постоянного давления в линии 1 при движении обратного потока в линию 3 (сливная линия). Давление, подаваемое в линию 2 (вход), понижается до определенного значения в линии 1 (линия редуцированного давления).ПРИНЦИП РАБОТЫ
В установившемся режиме клапан пропускает поток из 2 в 1, при этом пружинная камера постоянно дренируется в 3. При достижении заданного давления в 1 картридж переключается на ограничение входного потока в 2, тем самым регулируя давление в 1. В этом режиме клапан также сбрасывает давление из 1 в 3 сверх редукционной настройки.
Расположение портов:
- порт 1 - снизу
- порт 2 - сбоку
- порт 3 - сбоку

ТЕХНИЧЕСКИЕ ХАРАКТЕРИСТИКИ
| Номинальный расход | 43 л/мин |
| Макс. рабочее давление | 350 бар |
| Резьба | 7/8-14 UNF-2A |
|
Посадочное гнездо |
SAE10/3 (SAE 10) |
ПРИМЕР
LPRPS2-10-50 Редукционно-предохранительный гидравлический клапан (гидроклапан) картриджного (ввертного) исполненияТехническая документация
Редукционно-предохранительные ввертные (картриджные) клапаны гидравлические серии LPRPS2-10 (англ.) 326.4 KBДоставка
- во все регионы России транспортными компаниями "Деловые линии", "СДЭК" до адреса получателя или терминала
- самовывоз со склада по адресу: Санкт-Петербург, ул. Коммуны, дом 67, литер БМ
Оплата
- безналичный расчет
- банковская карта
- наличными курьеру
| Название | Описание товара | Цена (руб. с НДС) | В наличии (шт.) | Сделать заказ |
|---|---|---|---|---|
LPRPS2-10-15 | LPRPS2-10-15 Редукционно-предохранительный гидравлический клапан (гидроклапан) картриджного (ввертного) исполнения, гнездо SAE10/3 (SAE 10), резьба 7/8-14 UNF-2A, 43 л/мин, 350 бар, диапазон регулировки 3,45-103 бар (преднастройка на 52 бар) (Keta Hydraulics, Китай) | 15 627 руб | 6 | |
LPRPS2-10-30 | LPRPS2-10-30 Редукционно-предохранительный гидравлический клапан (гидроклапан) картриджного (ввертного) исполнения, гнездо SAE10/3 (SAE 10), резьба 7/8-14 UNF-2A, 43 л/мин, 350 бар, диапазон регулировки 3,45-207 бар (преднастройка на 103 бар) (Keta Hydraulics, Китай) | 15 627 руб | 5 | |
LPRPS2-10-50 | LPRPS2-10-50 Редукционно-предохранительный гидравлический клапан (гидроклапан) картриджного (ввертного) исполнения, гнездо SAE10/3 (SAE 10), резьба 7/8-14 UNF-2A, 43 л/мин, 350 бар, диапазон регулировки 27,6-350 бар (преднастройка на 175 бар) (Keta Hydraulics, Китай) | 15 627 руб | 5 |
С этим товаром берут:
- 13.1011.118 КОРПУС 3/8" BSP (АЛЮМИНИЙ) ДЛЯ ВВЕРТНОГО ГИДРАВЛИЧЕСКОГО КЛАПАНА (ГИДРОКЛАПАНА), SAE10/3 (SAE 10), 7/8-14 UNF-2B (TECNORD, ИТАЛИЯ)
- LB10-3-S-2G КОРПУС 1/4" BSP (СТАЛЬ) ДЛЯ ВВЕРТНОГО ГИДРАВЛИЧЕСКОГО КЛАПАНА (ГИДРОКЛАПАНА), SAE10/3 (SAE 10), 7/8-14 UNF-2B (KETA HYDRAULICS, КИТАЙ)
- LB10-3-S-3G КОРПУС 3/8" BSP (СТАЛЬ) ДЛЯ ВВЕРТНОГО ГИДРАВЛИЧЕСКОГО КЛАПАНА (ГИДРОКЛАПАНА), SAE10/3 (SAE 10), 7/8-14 UNF-2B (KETA HYDRAULICS, КИТАЙ)
- LB10-3-A-3G КОРПУС 3/8" BSP (АЛЮМИНИЙ) ДЛЯ ВВЕРТНОГО ГИДРАВЛИЧЕСКОГО КЛАПАНА (ГИДРОКЛАПАНА), SAE10/3 (SAE 10), 7/8-14 UNF-2B (KETA HYDRAULICS, КИТАЙ)





