Купить hpp/d5-1051 маслостанция компактная с баком (гидростанция / гидравлическая насосная станция), макс. подача 5,2 л/мин, 12 в (hydro-pack, турция)
ПРИМЕНЕНИЕ
Гидравлический насосный агрегат (часто называют гидравлическая насосная станция или силовая гидравлическая установка) — это устройство, предназначенное для преобразования механической энергии вращения электродвигателя в энергию потока рабочей жидкости под высоким давлением. Изделие выступает ключевым звеном в автономных гидросистемах, обеспечивая работу механизмов там, где отсутствует промышленная электросеть.Применяется для приведения в движение различных механизмов:
- самоходных машин (тракторы, погрузчики, коммунальная техника)
- стационарных автономных установок (подъемники, прессы, лебедки)
- бортового оборудования спецтранспорта и аварийно-спасательных систем
- судовых устройств (краны, лебедки на яхтах и катерах) и др.
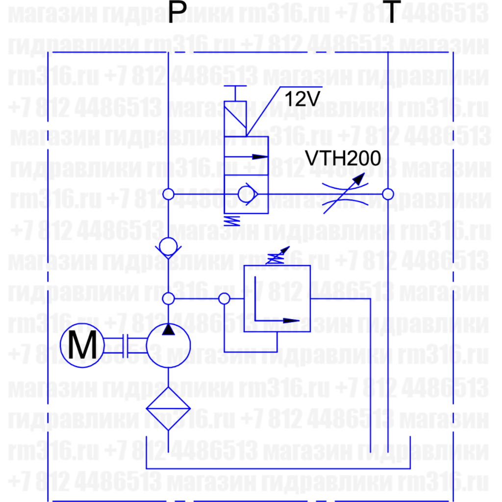
Гидравлическая схема

Основные технические характеристики маслостанции
| Рабочий объем насоса | 2,1 см3 |
| Макс. подача | 5,2 л/мин |
| Макс. рабочее давление | 155 бар |
|
Электродвигатель |
Мощность 1,6 кВт, частота вращения 2500 об/мин |
| Электропитание | 12 В |
| Наличие пускового реле | Да |
| Объем маслобака | 6 л |
| Наличие пульта управления | Да |
| Длина кабеля | 2,5 м |
| Рабочее положение маслостанции | Горизонтальное |
ПРИМЕР
HPP/D5-1051 Минигидростанция (компактная насосная маслостанция), макс. подача 5,2 л/мин, рабочий объем насоса 2,1 см3, 12 В, 1,6 кВт
Техническая документация
Компактная маслостанция (гидравлическая насосная станция) HPP/D5-1051 (рус.) 362.8 KBДоставка
- во все регионы России транспортными компаниями "Деловые линии", "СДЭК" до адреса получателя или терминала
- самовывоз со склада по адресу: Санкт-Петербург, ул. Коммуны, дом 67, литер БМ
Оплата
- безналичный расчет
- банковская карта
- наличными курьеру
| Название | Описание товара | Цена (руб. с НДС) | В наличии (шт.) | Сделать заказ |
|---|---|---|---|---|
HPP/D5-1051 | HPP/D5-1051 Минигидростанция (компактная насосная маслостанция мотор + насос), макс. подача 5,2 л/мин, рабочий объем насоса 2,1 см3, 12 В, 1,6 кВт, с пусковым реле, с маслобаком, с пультом дистанционного управления (Hydro-pack, Турция) | 88 515 руб | 1 |







