Купить be236-z6 опорно-поворотное устройство (опу) с червячным редуктором (tgb, испания)
ОПУ (опорно-поворотное устройство) серии BE производства TGB (Испания)
Высокоточное ОПУ с малым зазором, предназначенное для промышленного применения. Механизм защищен манжетными уплотнениями по классу IP65. Благодаря глобоидному профилю зубьев поворотного кольца и прямому червяку обеспечивается наиболее плавное движение. ОПУ (опорно-поворотное устройство с интегрированным червячным редуктором) представляет собой компактный механизм, обеспечивающий поворотное движение конструкции под высокими нагрузками и в сложных условиях окружающей среды благодаря закрытому корпусу.
Технические характеристики
| Передаточное соотношение | 44:1 |
| КПД | 40% |
| Самоблокирующийся механизм зацепления | Да |
| Обратное движение | <0,15° |
| Максимальный крутящий момент | 6508 Нм |
| Номинальный крутящий момент | 3390 Нм |
| Удерживающий момент | 6,8 кНм |
| Опрокидывающий момент | 11,2 кНм |
| Радиальная статическая нагрузка | 94 кН |
| Аксиальная статическая нагрузка | 290 кН |
| Радиальная динамическая нагрузка | 87 кН |
| Аксиальная динамическая нагрузка | 97 кН |
| Примечание: все ОПУРИ поставляются со смазкой. Макс. частота вращения на выходе: 1 об/мин. | |
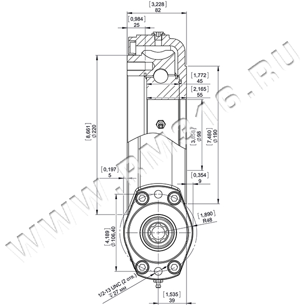
Габаритно-присоединительные размеры
ОПУ производства TGB (Испания) может работать как в горизонтальном, так и в вертикальном положении. При вертикальной компоновке рекомендуется размещать червячный редуктор снизу. ОПУ состоит из поворотного кольца, установленного снаружи или внутри корпуса, где также находится червяк, который отвечает за передачу крутящего момента на поворотное кольцо. Внутри корпуса имеются два подшипника, удерживающие червяк вместе с соответствующей крышкой со стороны привода и датчика. Крышки могут быть адаптированы для непосредственного соединения гидромотора или редуктора путем установки переходного фланца. ОПУРИ оснащается пресс-масленками, предназначенными для смазки механизма.
ЕСЛИ В ТАБЛИЦЕ НИЖЕ ПОКАЗАНО, ЧТО ИНТЕРЕСУЮЩАЯ ВАС ПРОДУКЦИЯ В НАСТОЯЩИЙ МОМЕНТ ОТСУТСТВУЕТ НА СКЛАДЕ, ВЫ МОЖЕТЕ ОБРАТИТЬСЯ К СОТРУДНИКАМ МАГАЗИНА ГИДРАВЛИКИ RM316.RU ДЛЯ УТОЧНЕНИЯ СРОКОВ ПОСТАВКИ ТОВАРА.
В России можно приобрести полную линейку продукции TGB Group (Испания), воспользовавшись услугами нашего магазина гидравлики. TGB Group Technologies является крупным мировым производителем опорно-поворотных устройств с червячным редуктором. Конструкция ОПУРИ испанского производителя TGB Group может быть адаптирована под требования заказчика, например, путем внедрения каких-либо из следующих решений: шлицевой вал, поворотные кольца с двойной дорожкой качения, отверстия в британских единицах измерения, установка гидромотора с блоком предохранительных гидроклапанов и т. д.Производитель
Техническая документация
ТЕХНИЧЕСКИЙ КАТАЛОГ: ОПОРНО-ПОВОРОТНОЕ УСТРОЙСТВО (ОПУ) С ЧЕРВЯЧНЫМ РЕДУКТОРОМ СЕРИИ BE236-Z6 329.5 KBДоставка
- во все регионы России транспортными компаниями "Деловые линии", "СДЭК" до адреса получателя или терминала
- самовывоз со склада по адресу: Санкт-Петербург, ул. Коммуны, дом 67, литер БМ
Оплата
- безналичный расчет
- банковская карта
- наличными курьеру
| Название | Описание товара | Цена (руб. с НДС) | В наличии (шт.) | Сделать заказ |
|---|---|---|---|---|
BE236-Z6 | BE236-Z6 Опорно-поворотное устройство с интегрированным червячным редуктором (ОПУРИ), передаточное соотношение 44:1, максимальный крутящий момент 6508 Нм (TGB, Испания) | 201 599 руб | 0 |






