Купить 001.024.0y0 (owc/se-38/14fcb-rs) /001.024.0h0 (owc/se-38/14fcb-h) односторонний тормозной (контрбалансный, уравновешивающий) клапан гидравлический с банджо-болтом, 40 л/мин (luen, италия)
ПРИМЕНЕНИЕ
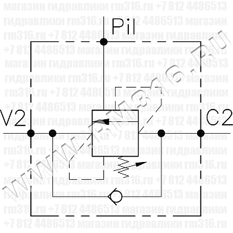
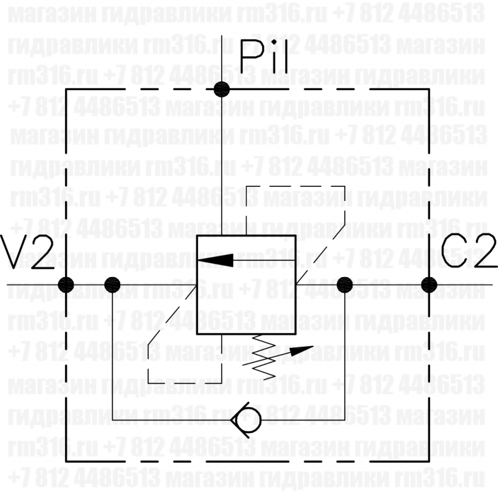
Тормозной клапан (клапан торможения) 001.024.0Y0 (OWC/SE-38/14FCB-RS), 001.024.0H0 (OWC/SE-38/14FCB-H) производства Luen (Италия) используется для обеспечения плавности работы гидродвигателей (например, гидроцилиндра или гидромотора), а также выполняет функцию гидрозамка. Уравновешивающий клапан 001.024.0Y0 (OWC/SE-38/14FCB-RS), 001.024.0H0 (OWC/SE-38/14FCB-H) помогает избавиться от рывков и колебаний при действии попутных нагрузок, вектор движения которых совпадает с направлением движения гидроцилиндра или гидромотора.
|
Обозначение |
Материал корпуса | Способ регулировки |
|
001.024.0Y0 (OWC/SE-38/14FCB-RS) |
Алюминий | Шестигранник |
| 001.024.0H0 (OWC/SE-38/14FCB-H) | Алюминий | Шестигранник (сверху закрыт защитным колпачком из металла) |

УСТАНОВКА
Присоедините порт V2 к линии нагнетания, С2 – к гидроцилиндру (контролируемому порту), порт Pil – к линии управления (линия с пилотным сигналом). Настройка тормозного (контрбалансного, уравновешивающего) клапана должна быть в 1,3 раза больше, чем максимальное рабочее давление, действующее в системе.
ОСОБЕННОСТИ
- Корпус: алюминий
- Внутренние компоненты: закаленная сталь, шлифованная
- Уплотнения: BUNA N стандарт
- Тип монтажа: банджо-болт
ПРИМЕР
Техническая документация
Тормозные (контрбалансные, уравновешивающие) клапаны гидравлические серии 001.024.0Y0 OWC/SE-38/14FCB-RS (англ.) 293.2 KBДоставка
- во все регионы России транспортными компаниями "Деловые линии", "СДЭК" до адреса получателя или терминала
- самовывоз со склада по адресу: Санкт-Петербург, ул. Коммуны, дом 67, литер БМ
Оплата
- безналичный расчет
- банковская карта
- наличными курьеру
| Название | Описание товара | Цена (руб. с НДС) | В наличии (шт.) | Сделать заказ |
|---|---|---|---|---|
001.024.0H0 | 001.024.0H0 (OWC/SE-38/14FCB-H) Односторонний тормозной (контрбалансный, уравновешивающий) клапан гидравлический (гидроклапан) с корпусом (алюминий), 3/8" и 1/4" BSP, 40 л/мин, 350 бар, 4,25:1, монтаж на банджо-болт, диапазон регулировки 60-350 бар, с защитным колпачком (Luen, Италия) | 29 807 руб | 8 | |
001.024.0Y0 | 001.024.0Y0 (OWC/SE-38/14FCB-RS) Односторонний тормозной (контрбалансный, уравновешивающий) клапан гидравлический (гидроклапан) с корпусом (алюминий), 3/8" и 1/4" BSP, 40 л/мин, 350 бар, 4,25:1, монтаж на банджо-болт, диапазон регулировки 60-350 бар (Luen, Италия) / снят с производства, современный аналог N01.614.0X0 | 26 877 руб | 0 |
Похожие товары:
- VBCD SE A FLV ОДНОСТОРОННИЙ ТОРМОЗНОЙ (КОНТРБАЛАНСНЫЙ, УРАВНОВЕШИВАЮЩИЙ) КЛАПАН ГИДРАВЛИЧЕСКИЙ С БАНДЖО-БОЛТОМ, 40/60 Л/МИН (OLEODINAMICA MARCHESINI, ИТАЛИЯ)
- CBCA, CBCG ОДНОСТОРОННИЙ ТОРМОЗНОЙ (КОНТРБАЛАНСНЫЙ, УРАВНОВЕШИВАЮЩИЙ) КЛАПАН ГИДРАВЛИЧЕСКИЙ С БАНДЖО-БОЛТОМ, 60 Л/МИН (SUN HYDRAULICS, США)
- N01.614.0X0 (OWC-60-SE-38-14FCB-X) / N01.614.0K0.A (OWC-60-SE-38-14FCB-K) ОДНОСТОРОННИЙ ТОРМОЗНОЙ (КОНТРБАЛАНСНЫЙ, УРАВНОВЕШИВАЮЩИЙ) КЛАПАН ГИДРАВЛИЧЕСКИЙ С БАНДЖО-БОЛТОМ, 40 Л/МИН (LUEN, ИТАЛИЯ)
- A060391.02.00 ОДНОСТОРОННИЙ ТОРМОЗНОЙ (КОНТРБАЛАНСНЫЙ, УРАВНОВЕШИВАЮЩИЙ) КЛАПАН ГИДРАВЛИЧЕСКИЙ С БАНДЖО-БОЛТОМ, 45 Л/МИН (HBS, ИТАЛИЯ)



