Купить pm-6-12-25-45-byb-l-s ручной насос гидравлический (гидронасос) двойного действия, с предохранительным клапаном, со спускной рукояткой, 6-12-25-45 см3 (hv hydraulic, италия)
ОПИСАНИЕ
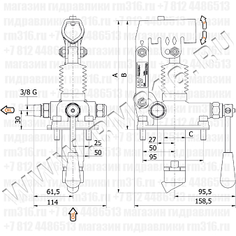
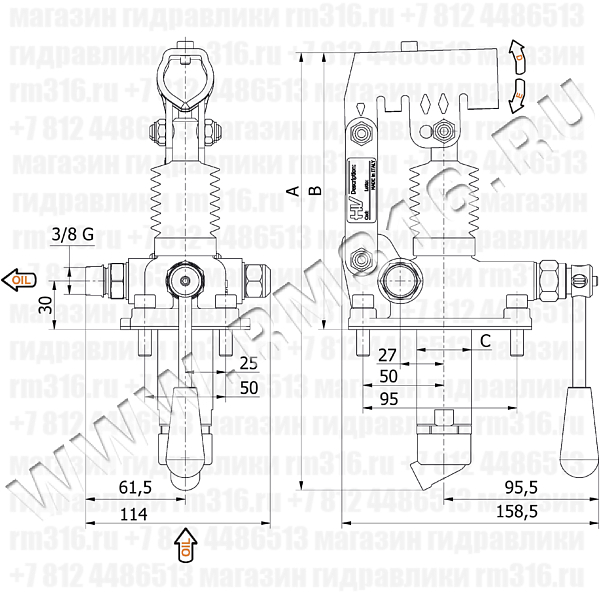
PM-6-12-25-45-byB-L-s - гидравлический ручной насос (гидронасос) двойного действия, устанавливаемый напрямую в маслобак. В ручном гидравлическом насосе двойного действия давление создается при движении рукоятки в обоих направлениях. Рабочий объем ручного гидравлического насоса двойного действия рассчитывается за один полный цикл (движение рукоятки в обе стороны). Простота конструкции, а также возможность установки гидронасоса непосредственно в маслобак (маслобаки также можно приобрести в нашем магазине гидравлики) позволяют использовать ручной гидравлический насос в любых отраслях.ГИДРАВЛИЧЕСКАЯ СХЕМА
ТЕХНИЧЕСКИЕ ХАРАКТЕРИСТИКИ
- ручной насос для гидроцилиндров одностороннего действия
- номинальный объем 6, 12, 25, 45 см3
- предохранительный клапан 40 - 350 бар (настроен по умолчанию на 100 бар, давление настройки указывается при заказе на заводе, но не более 100 бар)
- спускная рукоятка
- чугунный корпус
- внешние детали из оцинкованной стали
- резиновая защита поршня (пыльник)
- поставляется вместе с резиновым уплотнением (устанавливается между насосом и маслобаком) и крепежными болтами
ПРИМЕР
6050.0123 PM-12-byB-L-s Ручной насос гидравлический (гидронасос) с резиновой защитой поршня, 12 см3Техническая документация
Ручные гидравлические насосы (гидронасосы) серии PM-6-12-25-45-byB-L-s (рус.) 3.4 MBРучные гидравлические насосы (гидронасосы) серии PM-6-12-25-45-byB-L-s (англ.) 506.3 KBДоставка
- во все регионы России транспортными компаниями "Деловые линии", "СДЭК" до адреса получателя или терминала
- самовывоз со склада по адресу: Санкт-Петербург, ул. Коммуны, дом 67, литер БМ
Оплата
- безналичный расчет
- банковская карта
- наличными курьеру
| Название | Описание товара | Цена (руб. с НДС) | В наличии (шт.) | Сделать заказ |
|---|---|---|---|---|
6049.0123 | 6049.0123 PM-6-byB-L-s Ручной насос гидравлический (гидронасос) с резиновой защитой поршня, 6 см3, установка в маслобак, двойного действия, корпус чугун, спускная рукоятка + предохранительный клапан (HV Hydraulic, Италия) | 37 438 руб | 0 | |
6050.0123 | 6050.0123 PM-12-byB-L-s Ручной насос гидравлический (гидронасос) с резиновой защитой поршня, 12 см3, установка в маслобак, двойного действия, корпус чугун, спускная рукоятка + предохранительный клапан (HV Hydraulic, Италия) | 36 237 руб | 0 | |
6051.0123 | 6051.0123 PM-25-byB-L-s Ручной насос гидравлический (гидронасос) с резиновой защитой поршня, 25 см3, установка в маслобак, двойного действия, корпус чугун, спускная рукоятка + предохранительный клапан (HV Hydraulic, Италия) | 36 479 руб | 0 | |
6052.0123 | 6052.0123 PM-45-byB-L-s Ручной насос гидравлический (гидронасос) с резиновой защитой поршня, 45 см3, установка в маслобак, двойного действия, корпус чугун, спускная рукоятка + предохранительный клапан (HV Hydraulic, Италия) | 38 155 руб | 0 |
С этим товаром берут:
- РУКОЯТКА ДЛЯ РУЧНЫХ ГИДРАВЛИЧЕСКИХ НАСОСОВ, Ø = 27 ММ
- 6500.0140 S1 (TNK1) ГИДРОБАК (МАСЛОБАК, ГИДРАВЛИЧЕСКИЙ БАК) ДЛЯ РУЧНОГО ГИДРОНАСОСА, ОБЪЁМ 1 ЛИТР (HV HYDRAULIC, ИТАЛИЯ)
- 6500.0141 S2 (TNK2) ГИДРОБАК (МАСЛОБАК, ГИДРАВЛИЧЕСКИЙ БАК) ДЛЯ РУЧНОГО ГИДРОНАСОСА, ОБЪЁМ 2 ЛИТРА (HV HYDRAULIC, ИТАЛИЯ)
- 6500.0142 S3 (TNK3) ГИДРОБАК (МАСЛОБАК, ГИДРАВЛИЧЕСКИЙ БАК) ДЛЯ РУЧНОГО ГИДРОНАСОСА, ОБЪЁМ 3 ЛИТРА (HV HYDRAULIC, ИТАЛИЯ)
- 6500.0143 S5 (TNK5) ГИДРОБАК (МАСЛОБАК, ГИДРАВЛИЧЕСКИЙ БАК) ДЛЯ РУЧНОГО ГИДРОНАСОСА, ОБЪЁМ 5 ЛИТРОВ (HV HYDRAULIC, ИТАЛИЯ)
- 6500.0144 S7 (TNK7) ГИДРОБАК (МАСЛОБАК, ГИДРАВЛИЧЕСКИЙ БАК) ДЛЯ РУЧНОГО ГИДРОНАСОСА, ОБЪЁМ 7 ЛИТРОВ (HV HYDRAULIC, ИТАЛИЯ)
- 6500.0145 S10 (TNK10) ГИДРОБАК (МАСЛОБАК, ГИДРАВЛИЧЕСКИЙ БАК) ДЛЯ РУЧНОГО ГИДРОНАСОСА, ОБЪЁМ 10 ЛИТРОВ (HV HYDRAULIC, ИТАЛИЯ)
- 6500.0147 S13 (TNK13) ГИДРОБАК (МАСЛОБАК, ГИДРАВЛИЧЕСКИЙ БАК) ДЛЯ РУЧНОГО ГИДРОНАСОСА, ОБЪЁМ 13 ЛИТРОВ (HV HYDRAULIC, ИТАЛИЯ)
- 6500.0148 S15 (TNK15) ГИДРОБАК (МАСЛОБАК, ГИДРАВЛИЧЕСКИЙ БАК) ДЛЯ РУЧНОГО ГИДРОНАСОСА, ОБЪЁМ 15 ЛИТРОВ (HV HYDRAULIC, ИТАЛИЯ)
- 6500.0149 S20 (TNK20) ГИДРОБАК (МАСЛОБАК, ГИДРАВЛИЧЕСКИЙ БАК) ДЛЯ РУЧНОГО ГИДРОНАСОСА, ОБЪЁМ 20 ЛИТРОВ (HV HYDRAULIC, ИТАЛИЯ)


