Купить vbcd se односторонний тормозной (контрбалансный, уравновешивающий) клапан гидравлический, 35/50/105 л/мин (oleodinamica marchesini, италия)
ПРИМЕНЕНИЕ
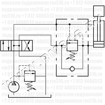
Тормозной клапан (клапан торможения) VBCD SE производства Oleodinamica Marchesini (Италия) используется для обеспечения плавности работы гидродвигателей (например, гидроцилиндра или гидромотора), а также выполняет функцию гидрозамка. Уравновешивающий (контрбалансный, подпорно-тормозной) клапан VBCD SE помогает избавиться от рывков и колебаний при действии попутных нагрузок, вектор движения которых совпадает с направлением движения гидроцилиндра или гидромотора.
УСТАНОВКА
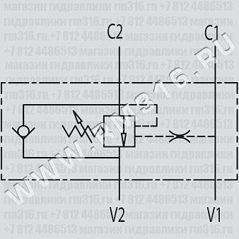
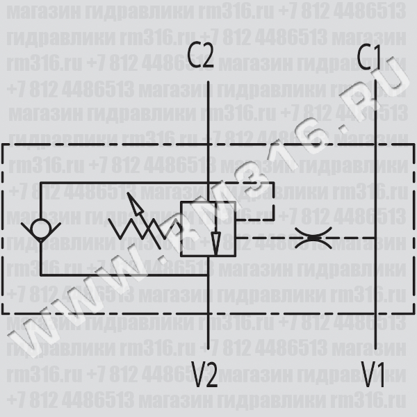
Подключите V2 к линии нагнетания, С2 – к гидроцилиндру (контролируемому порту), порты V1 - C1 к линии управления (линия с пилотным сигналом). Настройка тормозного (контрбалансного, уравновешивающего) клапана должна быть в 1,3 раза больше, чем максимальное рабочее давление, действующее в системе.
ОСОБЕННОСТИ
- Корпус: оцинкованная сталь
- Внутренние компоненты: закаленная сталь, шлифованная
- Уплотнения: BUNA N стандарт
- Тип монтажа: трубный монтаж
Техническая документация
Тормозные (контрбалансные, уравновешивающие) клапаны гидравлические серии VBCD SE (рус.) 255.9 KBТормозные (контрбалансные, уравновешивающие) клапаны гидравлические серии VBCD SE (англ.) 1006 KBДоставка
- во все регионы России транспортными компаниями "Деловые линии", "СДЭК" до адреса получателя или терминала
- самовывоз со склада по адресу: Санкт-Петербург, ул. Коммуны, дом 67, литер БМ
Оплата
- безналичный расчет
- банковская карта
- наличными курьеру
| Название | Описание товара | Цена (руб. с НДС) | В наличии (шт.) | Сделать заказ |
|---|---|---|---|---|
V0390 | V0390 VBCD 3/8" SE Односторонний тормозной (уравновешивающий) клапан (сталь), 3/8" BSP, 35 л/мин, 350 бар, 1:3,1, трубный монтаж, предварительная настройка пружины 320 бар (Oleodinamica Marchesini, Италия) | 10 656 руб | 0 | |
V0390/RP18 | V0390/RP18 VBCD 3/8" SE RP 1:8 Односторонний тормозной (уравновешивающий) клапан (сталь), 3/8" BSP, 35 л/мин, 350 бар, 1:8, трубный монтаж, предварительная настройка пружины 320 бар (Oleodinamica Marchesini, Италия) | 11 723 руб | 0 | |
V0410 | V0410 VBCD 1/2" SE Односторонний тормозной (уравновешивающий) клапан (сталь), 1/2" BSP, 50 л/мин, 350 бар, 1:3,1, трубный монтаж, предварительная настройка пружины 320 бар (Oleodinamica Marchesini, Италия) | 10 891 руб | 0 | |
V0410/RP18 | V0410/RP18 VBCD 1/2" SE RP 1:8 Односторонний тормозной (уравновешивающий) клапан (сталь), 1/2" BSP, 50 л/мин, 350 бар, 1:8, трубный монтаж, предварительная настройка пружины 320 бар (Oleodinamica Marchesini, Италия) | 11 979 руб | 0 | |
V0411 | V0411 VBCD 3/4" SE Односторонний тормозной (уравновешивающий) клапан (сталь), 3/4" BSP, 105 л/мин, 350 бар, 1:5,5, трубный монтаж, предварительная настройка пружины 320 бар (Oleodinamica Marchesini, Италия) | 17 766 руб | 0 | |
V0411/RP18 | V0411/RP18 VBCD 3/4" SE RP 1:8 Односторонний тормозной (уравновешивающий) клапан (сталь), 3/4" BSP, 105 л/мин, 350 бар, 1:8, трубный монтаж, предварительная настройка пружины 320 бар (Oleodinamica Marchesini, Италия) | 19 533 руб | 0 |
Похожие товары:
- VBCL ОДНОСТОРОННИЙ ТОРМОЗНОЙ (КОНТРБАЛАНСНЫЙ, УРАВНОВЕШИВАЮЩИЙ) КЛАПАН ГИДРАВЛИЧЕСКИЙ, 30/40/60/120 Л/МИН (OLEOWEB, ИТАЛИЯ)
- WBCSEPI ОДНОСТОРОННИЙ ТОРМОЗНОЙ (КОНТРБАЛАНСНЫЙ, УРАВНОВЕШИВАЮЩИЙ) КЛАПАН ГИДРАВЛИЧЕСКИЙ, 60 Л/МИН (МТС, ИТАЛИЯ)
- VBCD SE A ОДНОСТОРОННИЙ ТОРМОЗНОЙ (КОНТРБАЛАНСНЫЙ, УРАВНОВЕШИВАЮЩИЙ) КЛАПАН ГИДРАВЛИЧЕСКИЙ, 20/40/60/95/160 Л/МИН (OLEODINAMICA MARCHESINI, ИТАЛИЯ)





